
碎纸机不能自动进纸故障的处理办法
电脑维修技术网是一个可以让一个什么都不懂的菜鸟也能够维护自己电脑的网站,内容覆盖、计算机资讯、电脑入门基础知识、各种电脑故障维护、还有电脑及热门游戏操作技巧,同时还提供常用软件和操作系统下载。
【故障现象】
一台#9013碎纸机,开始是噪音大,后来不进纸。经人修理后,只能用手动开关进纸,不能自动进纸。
【故障检修】
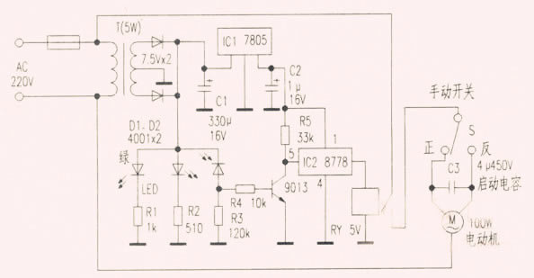
检查原机光电控制器已被全部拆除,电机的4uf/450vcbb启动电容用铁丝扎在电机旁,显然是被不合理修理。因无原配件,用twh8778开关电路和ph303/ph302红外发射接收对管,另装光控开关(如附图所示)。接市电后绿led发光,红外管发射、接收后,插入纸遮断光路,接收管阻值增大,三极管9013基极电压减小,由导通转为截止。集电极电压上升到>1.6v时,开关电路导通,继电器ry得电,开关s若在正位进纸,在反位则清理剪辊。发射管电流可调(r2)至10ma~15ma,以调节控制距离和灵敏度。该电路焊装在一小片绝缘板上,装于机架内部并妥善绝缘。红外发射和接收管装在进纸口两侧并对准。纸尾部分要尽量短,以免影响连续进纸。

随着电脑使用时间越来越长,故障也就越来越多,要不断学习新的知识。学习电脑故障和电脑知识大全,帮助您更好的学习电脑!... 如果您喜欢,请记住我们的网站!
关键词:碎纸机不能自动进纸故障的处理办法




