
科密332A指纹考勤机电源适配器原理及维修
电脑维修技术网是一个可以让一个什么都不懂的菜鸟也能够维护自己电脑的网站,内容覆盖、计算机资讯、电脑入门基础知识、各种电脑故障维护、还有电脑及热门游戏操作技巧,同时还提供常用软件和操作系统下载。
【故障现象】整机无反应,为其供电的adp-u10s5型电源适配器上的绿色指示灯也不亮。
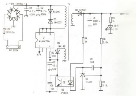
【故障检修】打开电源外壳,发现使用的是viper22a为核心的开关电源,原理见下图,viper22a ①、②脚接内部mos管源极,⑤-⑧脚接内部mos管漏极,最大输出功率达到20w,而待机功率小于1w。目测主电源滤波电容c1和c2已经鼓包,用万用表检查发现fuse保险丝已经断路,又检查u1 viper22a的⑤~⑧脚对地阻值大于0欧,依经验来看应该没有击穿,至于保险熔断的原因应该与c1和c2鼓包相关。将c1和c2拆下,换上一只22μf/400v的电解电容,因体积较大只能采取卧式安装,又更换好2a保险丝,通电测输出电压为5.25v,插上考勤机后,考勤机正常工作,故障排除。

本文摘自《家电维修上册》一书
随着电脑使用时间越来越长,故障也就越来越多,要不断学习新的知识。学习电脑故障和电脑知识大全,帮助您更好的学习电脑!... 如果您喜欢,请记住我们的网站!
关键词:科密332A指纹考勤机电源适配器原理及检修




