
LCD 显示屏画面闪烁故障维修
电脑维修技术网是一个可以让一个什么都不懂的菜鸟也能够维护自己电脑的网站,内容覆盖、计算机资讯、电脑入门基础知识、各种电脑故障维护、还有电脑及热门游戏操作技巧,同时还提供常用软件和操作系统下载。
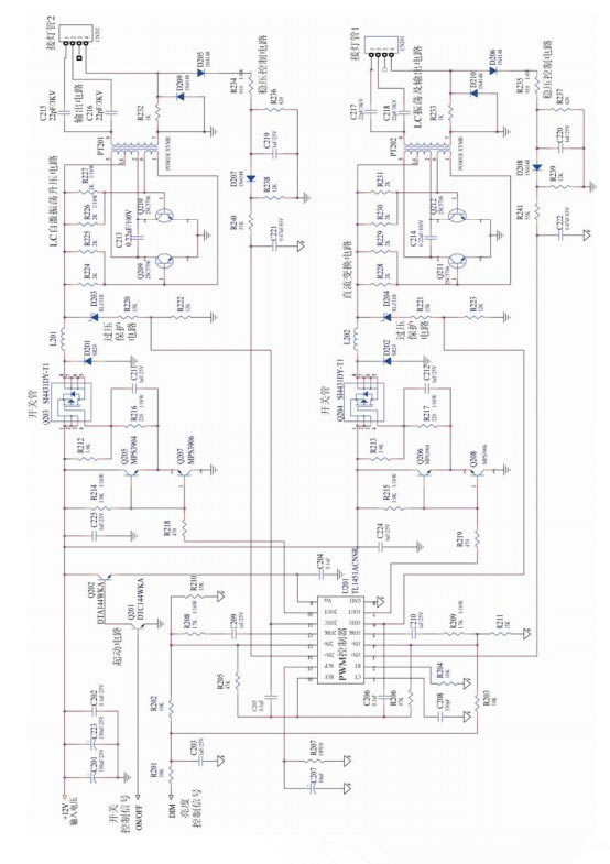
lcd 显示屏画面闪烁故障可能是稳压控制电路中的元器件,或反馈电路中的元器件,或 lc自激振荡电路中的元器件有问题,重点检查这些电路中的元器件。
lcd 显示屏画面闪烁故障维修方法如下,相关电路图如下:

1、首先对地短路pwm 控制器 tl1451 的第 15 脚(scp )及第 14 脚(2in+ ),看显示画面是否正常。
2、如果显示的画面正常了,则可能是稳压控制电路中的电容 c221、电容 c219、二极管d207 有问题,检测并更换损坏的元器件。
3、如果显示画面还是不正常,接着对地短路pwm 控制器 tl1451 的第 13 脚(2in-),看显示的画面是否正常了。
4、如果画面变得正常了,则可能是反馈电路中的电容c203、电容c209 等元器件有问题, 检测并更换损坏的元器件。
5、如果画面依旧不正常,则可能是 lc 自激振荡电路中的三极管 q209、q210 、变压器 pt201 有问题。检测并更换损坏的元器件。
随着电脑使用时间越来越长,故障也就越来越多,要不断学习新的知识。学习电脑故障和电脑知识大全,帮助您更好的学习电脑!... 如果您喜欢,请记住我们的网站!
关键词:LCD 显示屏画面闪烁故障维修




