
主板的复位电路故障维修
主板的复位电路检修
一、复位电路的构成及工作原理
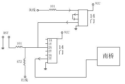
rst:是主机箱上的复位按钮,南桥内部集成了复位触发电路,所有的复位触发电路都是低电平有效,相对于其它电压,灰线延迟100-500ms时间输出,延迟期间为低电平,判断复位是否正常可测量各测试点是否有跳变,南桥要工作也需要有复位信号。(有些厂商的主板上有自己专门的开机复位芯片)
复位:
1.是指给设备提供初始化信号,使设备回复到原始状态的一个过程,是主板工作的一个基本条件
2.自动复位由灰线延迟期间低电平触发南桥实现,南桥工作后发出复位信号给各设备提供基本工作条件
3.手动复位由点击rst开关低电平触发南桥实现,南桥工作后使设备回复到原始状态,重新开始,表现为重新启动
例:
二、复位电路检修流程
1.查rst开关处是否有3.3v左右的高电平,如果没有查红线或橙线到rst开关的线路
2.短接rst开的时候测量是否有低电平触发南桥,如果没有查rst开关到南桥的线路
3.如果所有复位测试点在短接rst之后,都没有电压跳变,说明南桥没有工作,查其他供电时钟是否正常,如果供电时钟正常,南桥坏,如果只是个别测试点不正常,查不正常测试点到南桥之间的线路。
三、主板不复位的检修流程
1.查复位电路是否正常
2.参加复位的设备是否正常
3.设备的供电和时钟是否正常
4.通过主板诊断卡上的复位灯来判断,正常时诊断卡的复位灯会在开机瞬间闪下,或反复点击rst同时不停闪烁,常或不亮都表示复位不正常,按照先供电后时钟再复位的原则进行检修。
四、检修方法及注意事项
1.易坏元件:门电路、三极管
2.部分主板不加cpu或假负载时主板复位不正常
3.是否检修复位电路是在主板的供电、时钟、灰线等线路完全正常的情况下,主板仍不复位时才去检修。
4.大部分主板
[1] [2]
关键词:主板复位电路故障检修




