
夏普传真机开机无显示、无切纸动作
360电脑维修技术网是一个可以让一个什么都不懂的菜鸟也能够维护自己电脑的网站,内容覆盖、计算机资讯、电脑入门基础知识、各种电脑故障维护、还有电脑及热门游戏操作技巧,同时还提供常用软件和操作系统下载。
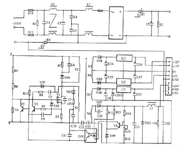
夏普ux-222型传真机开机无显示,无切纸动作,不能输送原稿
根据故障现象分析,故障原因系+5v电压没输出到主板上。取下底板和后面板,观察tel/liu板上的电源连接器cnpw无松动现象。据此,重点检查其电源电路,有关电路见下图所示。
测量cn1的各组输出直流电压,发现+5v电压为0v,其余各组电压正常。因+5v输出电路中的三端稳压器ic3容易损坏,故先测量稳压二极管vd10两端电压,电压正常,再测量ic3的输出电压为0v。检查c19等相关元件正常,由此判断ic3损坏。更换ic3(7805)后,接通电源,测量+5v输出电压正常,开机试验,传真机工作正常,故障排除。

随着电脑使用时间越来越长,故障也就越来越多,要不断学习新的知识。学习电脑故障和电脑知识大全,帮助您更好的学习电脑!... 如果您喜欢,请记住我们的网站!
关键词:夏普传真机开机无显示、无切纸动作




