
联想F40A电脑不能开机维修(附图)
360电脑维修技术网是一个可以让一个什么都不懂的菜鸟也能够维护自己电脑的网站,内容覆盖、计算机资讯、电脑入门基础知识、各种电脑故障维护、还有电脑及热门游戏操作技巧,同时还提供常用软件和操作系统下载。
对此机的主板各处阻值进行测量,发现待机部分电路有短路。于是就把待机部分的接点pl6和pl3给断开,再测量,这时候5v的后级没有短路了,可前级还是短路;3v的前后级依然还是有短路。
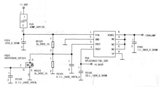
在排除了mos和电容的问题后,就确定是待机芯片max8734的问题,这芯片被动过。于是就换了它,这个时候再测5v和3v的前级不短路,可3v的后级依然短路。于是利用烧机的办法在接点pl6的后级接上最高3v的电压,用手摸,发现pu9微微发热,于是把pu9给焊下,再测3v短路消失了,电路图如下图。

找个一样芯片换上,把所有电路都复原后,再上电测试发现待机电路的mos管pq20、pq30发烫,以为是这两个mos管不稳定,换了两个mos管还是一样,实在是没有办法了,就在想是不是被同行动了手脚。找到图片一对比发现max8734的bst5和bst3线路上的两个0ω电阻pr74、pr79没有了。装上这两只电阻后pq20、pq30不再发热。见下图。
再上电观察电流的跳变正常,接上屏幕再测试屏幕亮了,问题到此解决。
随着电脑使用时间越来越长,故障也就越来越多,要不断学习新的知识。学习电脑故障和电脑知识大全,帮助您更好的学习电脑!... 如果您喜欢,请记住我们的网站!
关键词:联想F40A电脑不能开机维修(附图)




